Часто задаваемые вопросы по ремонту преобразователей напряжения (инверторов)
Сколько стоит диагностика преобразователя напряжения?
Диагностика преобразователя напряжения стоит 1500 рублей, эта сумма входит в стоимость ремонта.
Возможно ли, сделать в моем присутствии диагностику преобразователя напряжения?
Да, можем сделать диагностику в Вашем присутствии.
Можете приехать на место и забрать преобразователь напряжения в сервисный центр?
Есть такая услуга по Москве, стоимость 1400 рублей, по Московской области до 30 км — 2400 рублей.
Работаете с юридическими лицами и по безналичному расчету?
Да, работаем с организациями и по безналичному расчету с НДС.
За сколько по времени будет выполнен ремонт?
Ремонт может быть выполнен от 3-х до 30 дней в зависимости от сложности и наличия электронных компонентов на складе сервисного центра.
Производите ли ремонт преобразователей напряжения, если покупали в другой фирме?
Да, производим ремонт преобразователей напряжения любых моделей и не важно, где куплен. Если наш преобразователь напряжения не пригоден к ремонту по заключению диагностики сервисного центра?
Если наш преобразователь напряжения не пригоден к ремонту по заключению диагностики сервисного центра?
Можем предложить новой преобразователь напряжения — один год гарантия нашего сервисного центра и 3% скидкой.
Есть ли скидки для постоянных клиентов?
Для постоянных клиентов строительных организаций всегда выгодные условия работы с нашей организацией.
Lm2576t adj схема включения с дополнительным транзистором
Лабораторный блок питания на базе импульсного стабилизатора LM2576T-ADJ с регулировкой выходного напряжения 0-30В и тока 0-3А , с функцией ограничения выходного тока и индикацией режима ограничения при помощи светодиода.
Все мы очень давно знакомы с линейными стабилизаторами напряжения, особенно с трёхвыводными в корпусах TO-220 типа 7805, 7812, 7824 и LM317. Они недорогие и легко доступны. Их малошумящая и быстрая переходная характеристика делают их идеальными для многих применений. Но им присущ один недостаток — неэффективность (очень низкий КПД). Например, при подаче на стабилизатор 7805 напряжения 12В и при токе нагрузки 1А, на стабилизаторе будет рассеиваться мощность 7Вт при мощности нагрузки 5Вт. Поэтому требуется большой радиатор для охлаждения самого стабилизатора. Когда важна эффективность, например при работе от батареи, необходимо выбирать импульсный стабилизатор. Фактически, самое современное оборудование использует импульсные источники питания и импульсные регуляторы или стабилизаторы. Но много радиолюбители уклоняются от импульсных регуляторов, поскольку, например, использование популярной LM3524 требует большого количества внешних деталей и внешнего коммутационного транзистора. Кроме того строгие требования для катушки индуктивности. Как выбрать правильно, и где их взять? К счастью, более новый импульсный регулятор типа LM2576 от National Semiconductor’s позволяет собирать импульсный стабилизатор с высоким КПД так же легко, как и с помощью 7805 и т.п. Микросхема выпускается в пятивыводном привычном корпусе типа TO-220 и корпусе ТО-263 для поверхностного монтажа. Диапазон питающих напряжений 7-40В постоянного тока. КПД — до 80%. Выходной ток — до 3А и на несколько напряжений (3.3V, 5 V, 12V, 15V), а также и в версии регулируемого выходного напряжения, что представляет для нас особенный интерес. При проектировании с использованием импульсного стабилизатора получается малый размер платы, кроме того необходим радиатор с малой площадью поверхности, обычно не более 100 см. кв. Частота преобразования стабилизатора 52 кГц. Есть серия высоковольтных стабилизаторов с маркировкой HV с диапазоном входных напряжений 7-60В и возможностью регулировки выходного напряжения до 55В.
Приведенная на рисунка схема лабораторного блока питания на базе импульсного стабилизатора LM2576T-ADJ с регулировкой выходного напряжения в диапазоне 0-30В и возможностью ограничения тока нагрузки в диапазоне 0-3А найдена в сети Интернет и подробно рассмотрена здесь на форуме сайта http://vrtp.ru. Кстати, замечательный сайт, рекомендую к посещению Свечение светодиода указывает на включение режима ограничения выходного тока, что очень удобно при проверке и ремонте радиоэлектроных устройств.
Чтобы облегчить режим работы стабилизатора 7805 (в корпусе ТО-92) и для повышения верхнего предела напряжения Uвх, последовательно с U2 установлен стабилитрон VD1. Схема регулирования тока и напряжения собрана на сдвоенном компараторе LM393. На первой половинке U3.1 собран регулятор напряжения, а на второй половинке U3.2 собран регулятор тока. На транзисторном ключе Q1 собран узел индикации включения режима ограничения выходного тока. Номинальный ток дросселя необходимо выбирать не менее тока нагрузки. Возможно пиатние слаботочной части схемы от отдельного источника напряжения с подачей его непосредственно на вход U2, при этом стабилитрон VD1 не устанавливается. Хорошо работает с низкоомной нагрузкой. Без изменения схемы, в ней можно применять импульсные стабилизаторы LM2596T-ADJ с частотой преобразования 150 кГц и диапазоном питающих напряжений 4,5-40В. Выходной ток — до 3А. КПД — до 90%.
Размеры печатной платыы блока питания 72х52 мм, расстояние между осями переменных резисторов 30 мм.:
Видео работы стабилизатора (без слов) приведено ниже. Поскольку сборка и проверка устройства велась в г. Донецке в то время, когда за окном рвались снаряды, то не было никакой охоты ничего рассказывать. Да и собирать его не хотелось, но нужно было как-то отвлечься от действительности. Надеюсь Вы меня поймёте.
Стоимость печатной платы с маской и маркировкой: закончились
Стоимость набора деталей с печатной платой для сборки блока питания (без радиатора): временно нет в наличии
Стоимость собранной и проверенной платы блока питания (без радиатора): временно нет в наличии
Краткое описание, схема и перечень компонентов набора здесь >>>
Для покупки печатных плат, наборов для сборки и готовых собранных блоков обращайтесь сюда >>> или сюда >>>
Всем удачи, мирного неба, добра, 73!
Аккумуляторные батареи
Инвертор 12 в 220, сделанный самотоятельно не может работать сам по себе. Для преобразования напряжения в 12 вольт, его нужно вначале откуда-то получить. Таким источником электроэнергии служат аккумуляторные батареи свинцово-кислотного типа. Эти химические устройства способны регулярно выполнять отдачу больших токов, не утрачивая своей работоспособности за 12-15 циклов зарядки и разрядки.
Чтобы АКБ преждевременно не вышла из строя, ее напряжение отслеживается с помощью контроллера, предотвращающего чрезмерный разряд. Однако, следует помнить, что в родных АКБ бесперебойников используется гелевый электролит, а в автомобильных батареях – жидкий. Поэтому режимы зарядки у них различаются. Токи, пропускаемые сквозь гель, не подходят для жидкого электролита. Таким образом, источник бесперебойного питания будет регулярно не до конца заряжать автомобильный аккумулятор, и он быстро выйдет из строя. Во избежание подобных ситуаций, у инвертора 12 в 220 на основе ИБП в комплекте должно быть отдельное зарядное устройство для АКБ. Его также возможно сделать самостоятельно.

Мощность аккумуляторной батареи выбирается в соответствии с основными целями и задачами преобразователя напряжения. Этот показатель рассчитывается как мощность, отдаваемая потребителям, разделенная на КПД инвертора. В любом случае следует не допускать полной разрядки аккумулятора, устанавливать для этой цели специальные ограничители работы или контроллеры. При отсутствии этих приборов, конструкция инвертора должна соответствовать возможностям имеющейся батареи.
В среднем кислотные аккумуляторы могут работать без заметной потери своего ресурса в течение 2 часов при токе 12 А и мощности 60 А/ч, 24 А – 120 А/ч, 42 А – 210 А/ч. Учитывая имеющийся КПД преобразования допустимая долговременная мощность нагрузки будет соответственно 120, 230 и 400 Вт. На короткое время может быть подключена повышенная нагрузка, тогда мощность возрастает примерно в 2,5 раза. Однако, после такой интенсивной работы, батарея должна отдыхать как минимум 20 минут.
Таким образом, правильно рассчитанный самодельный инвертор и соответствующий аккумулятор нужной мощности непременно дадут желаемые результаты. Для постоянной работы эти устройства не годятся, но вполне способны решить проблему энергоснабжения нужных потребителей в течение достаточно продолжительного периода времени.

Инвертор с 24 в 220 вольт
Расчет времени работы инвертора от аккумулятора

Что такое инвертор напряжения

Гибридный инвертор

Трехфазный инвертор

Автомобильный инвертор с 12 на 220
Детали схемы преобразователя 12 – 220 вольт
Обмотка дросселя L1 выполнена на ферритовом кольце имеющее диаметр 28мм. Она намотана проводом ПЭЛ-2 0,6мм одним слоем до полного заполнения кольца. Трансформатор Т1 представляет из себя сетевой трансформатор на 220 вольт (мощностью не менее 100Вт) у которого две вторичные обмотки по 9В каждая.
Следует обратить внимание, что низковольтную часть автомобильного преобразователя можно выполнить на печатной плате, а высоковольтную (транзисторы, трансформатор, цепь питания, дроссель, стабилитроны) обязательно объемным монтажом (проводами достаточного сечения). Интегральную микросхему СD4001 можно поменять на К561ЛЕ5, а СD4013 применить отечественный аналог К561ТМ2. Стабилитрон VD1 на напряжение от 5…7 вольт, может быть Д814А, КС156, КС168. Стабилитроны VD2 и VD3 большой мощности BZX85-33V или КС533. Конденсатор C4 на напряжение не ниже 100В, остальные могут быть на 15 вольт. Стабилитрон VD1 на напряжение от 5…7 вольт, может быть Д814А, КС156, КС168. Стабилитроны VD2 и VD3 большой мощности BZX85-33V или КС533. Конденсатор C4 на напряжение не ниже 100В, остальные могут быть на 15 вольт
Стабилитрон VD1 на напряжение от 5…7 вольт, может быть Д814А, КС156, КС168. Стабилитроны VD2 и VD3 большой мощности BZX85-33V или КС533. Конденсатор C4 на напряжение не ниже 100В, остальные могут быть на 15 вольт.
При рабочих деталях и верном монтаже автомобильный преобразователь не требует настройки. Можно лишь подстроить резистором R1 частоту выходного переменного тока.
Схема и принцип работы инвертора 12 220
Основная часть радиодеталей, использующих инверторы, используют в работе высокие частоты. Импульсный инвертор в полной мере заменяет классическую схему, в которой применяются трансформаторы. Микросхему К561ТМ2 формируют два D-триггера, у которых присутствует вход R и S. Такая микросхема создается с учетом использования КМОП-технологий, посредством заключения в пластиковый корпус.
Задающие генераторы инверторов монтируются с учетом К561ТМ2, с использованием для функционирования устройства DD1. На делитель частот осуществляется монтирование триггера DD1.2. Усилительные каскады принимают сигнал с микросхем.
Генераторы с синусоидой для инвертора 12 220 В работают на высоких частотах. Чтобы образовать контур с размером 50 Гц, используют вторичную обмотку с параллельным подсоединением конденсаторов и нагрузок. Подключая любое устройство, инверторы создают преобразовательное напряжение в 220 В.
Схема обладает одним существенным недостатком — несовершенной формой параметров на выходах.
Говоря о том, как работает инвертор 12 220, стоит указать что микросхему К561ТМ2 дублирует К564ТМ2. Увеличить мощность на преобразователе можно путем подбора более интенсивного транзистора
Важно учитывать то факт, какие конденсаторы устанавливаются на выходах. Они обладают напряжением 250 В
Распространенные схемы
Простой импульсный преобразователь
Схема этого устройства очень проста, а большинство деталей могут быть извлечены из ненужного блока питания компьютера. Конечно, у нее есть и ощутимый недостаток – получаемое на выходе трансформатора напряжение 220 вольт далеко по форме от синусоидального и имеет частоту значительно больше, чем принятые 50 Гц. Напрямую подключать к нему электродвигатели или чувствительную электронику нельзя.

Для того, чтобы иметь возможность подключать к этому инвертору содержащую импульсные блоки питания технику (например, блок питания ноутбука), применено интересное решение – на выходе трансформатора установлен выпрямитель со сглаживающими конденсаторами. Правда, работать подключенный адаптер сможет только в одном положении розетки, когда полярность выходного напряжения совпадет с направлением встроенного в адаптер выпрямителя. Простые потребители типа ламп накаливания или паяльника можно подключать непосредственно к выходу трансформатора TR1.
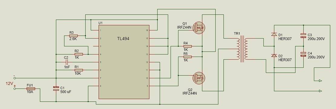
Основа приведенной схемы – это ШИМ-контроллер TL494, наиболее распространенный в таких устройствах. Частоту работы преобразователя задают резистор R1 и конденсатор C2, их номиналы можно брать несколько отличающимися от указанных без заметного изменения в работе схемы.
Для большей эффективности схема преобразователя включает в себя два плеча на силовых полевых транзисторах Q1 и Q2. Эти транзисторы нужно разместить на алюминиевых радиаторах, если предполагается использовать общий радиатор – устанавливайте транзисторы через изоляционные прокладки. Вместо указанных на схеме IRFZ44 можно использовать близкие по параметрам IRFZ46 или IRFZ48.
Выходной дроссель наматывается на ферритовом кольце от дросселя, также извлекаемого из компьютерного блока питания. Первичная обмотка мотается проводом диаметром 0,6 мм и имеет 10 витков с отводом от середины. Поверх нее наматывается вторичная обмотка, содержащая 80 витков. Также можно взять выходной трансформатор из сломанного источника бесперебойного питания.
Вместо высокочастотных диодов D1 и D2 можно взять диоды типов FR107, FR207.
Так как схема очень проста, после включения при правильном монтаже она начнет работать сразу и не потребует никакой настройки. Отдавать в нагрузку она сможет ток до 2,5 А, но оптимальным режимом работы будет ток не более 1,5 А – а это более 300 Вт мощности.
Готовый инвертор такой мощности стоил бы порядка трех-четырех тысяч рублей.
Схема преобразователя с выходом переменного тока
Эта схема выполнена на отечественных комплектующих и достаточно стара, но это не делает ее менее эффективной. Главное ее достоинство – это получение на выходе полноценного переменного тока с напряжением 220 вольт и частотой 50 Гц.

Здесь генератор колебаний выполнен на микросхеме К561ТМ2, представляющей собой сдвоенный D-триггер. Она является полным аналогом зарубежной микросхемы CD4013 и может быть заменена ей без изменений в схеме.
Преобразователь также имеет два силовых плеча на биполярных транзисторах КТ827А. Их главный недостаток по сравнению с современными полевыми – это большее сопротивление в открытом состоянии, из-за чего нагрев при той же коммутируемой мощности у них сильнее.
Так как преобразователь работает на низкой частоте, трансформатор должен иметь мощный стальной сердечник. Автор схемы предлагает использовать распространенный советский сетевой трансформатор ТС-180.
Как и другие инверторы на основе простых ШИМ-схем, этот преобразователь имеет на выходе достаточно отличающуюся от синусоидальной форму напряжения, но это несколько сглаживается большой индуктивностью обмоток трансформатора и выходным конденсатором С7. Также из-за этого трансформатор во время работы может издавать ощутимый гул – это не является признаком неисправности схемы.
Простой инвертор на транзисторах
Этот преобразователь работает по тому же принципу, что и перечисленные выше схемы, но генератор прямоугольных импульсов (мультивибратор) в нем построен на биполярных транзисторах.

Особенность этой схемы в том, что она сохраняет работоспособность даже на сильно разряженном аккумуляторе: диапазон входных напряжений составляет 3,5…18 вольт. Но, так как в ней отсутствует какая-либо стабилизация выходного напряжения, при разрядке аккумулятора будет одновременно пропорционально падать и напряжение на нагрузке.
Так как эта схема также является низкочастотной, трансформатор потребуется аналогичный используемому в инверторе на основе К561ТМ2.
Преобразователь 12 в 220 Вольт в машину: какой лучше выбрать из представленных на рынке — обзор вариантов
Сейчас на рынке дополнительного оборудования для автомобилей широко представлены разнообразные инверторы 12/220 Вольт. Перед их приобретением следует, прежде всего, определиться для каких целей вы будете его использовать, какие конкретные электроприборы будете подключать.
Далее необходимо подсчитать или определить мощность потребления таких устройств. Если вы планируете одновременно снабжать электроэнергией несколько устройств, мощности надо суммировать.
Как заявляет производитель, преобразователь напряжения ALCA 313100 12/220В имеет номинальную мощность 150 Вт, а пиковую — 300 Вт.

Учитывая невысокую стоимость устройства (порядка 2000 рублей), не следует рассчитывать на его европейское происхождение. Питание производится от разъема прикуривателя. В характеристиках устройства указаны максимальные входные параметры – 12В/15 Ампер. Нетрудно посчитать максимальную мощность, перемножив 12 на 15: чуть более 180 Ватт. То есть при пиковой нагрузке 300 Вт входные цепи могут не выдержать. Кроме этого, обычно прикуриватель имеет по цепи питания предохранитель номиналом 15 – 20 Ампер. Поэтому при подключении более мощных преобразователей он часто выходит из строя.
Вообще, не стоит выбирать модели мощных преобразователей с питанием от разъема прикуривателя: это ненадежно и опасно — может воспламениться электропроводка, не рассчитанная на мощную нагрузку!
Герметичный автомобильный инвертор Сибконтакт ИС2-12-300Г имеет номинальную мощность 300 Ватт.

Он подключается к электрооборудованию автомобиля отдельной проводкой. Лучше это сделать непосредственно от аккумуляторной батареи через предохранитель номиналом 30 – 40 Ампер.
Герметичность устройства является плюсом с точки зрения минимизации рисков попадания внутрь его влаги и посторонних предметов. Однако при этом значительно уменьшается вентиляция элементов преобразователя, при постоянной мощной нагрузке он перегревается.
Видео — обзор автомобильного инвертора Сибконтакт ИС2-12-300Г:
https://youtube.com/watch?v=Lk8WArBRO18
Такой преобразователь может обеспечить питание ноутбука, бытовых электроприборов, электродвигателей небольшой мощности. Форма выходного напряжения приближается к синусоидальной, это большой плюс.
Кроме этого, Сибконтакт ИС2-12-300Г имеет защиту от перегрузок, переполюсовки, тепловую защиту, защиту от полного разряда АКБ, режим энергосбережения. Стоимость преобразователя порядка 4000 рублей.
Более мощный автомобильный инвертор AcmePower AP-DS600 (600 Ватт) может запитывать электроинструмент небольшой мощности (лобзик, дрель и др.) Он удобен для работы в полевых условиях, проведении выездных мероприятий.

Форма сигнала выходного напряжения – модифицированная (ступенчаиая) синусоида. Имеет необходимые защиты по питанию и перегреву. КПД – более 90%, стоимость – более 4000 рублей.
AVS Energy IN-1500W мощностью 1500 Ватт предназначен для питания чуть более мощных электроустановок и оборудования.

Однако продавцы инвертора AVS Energy IN-1500W не рекомендуют долговременно нагружать устройство потребителями мощностью более 800 Ватт.
Пользователи, которые испытали работу этого инвертора также отмечают, что заявленные 1500 Вт данный автомобильный инвертор «не держит».
Видео — об автомобильном преобразователе напряжения AVS Energy IN-1500W:
Супермощный инвертор Сибвольт 3012 (3000 Ватт) предназначен для питания практически любого оборудования. Он имеет синусоидальный сигнал, соответственно, высокую стоимость – более 33000 рублей. Масса преобразователя около 7 килограммов.

В продаже есть преобразователи мощностью 5000 Ватт и более.
При работе таких устройств на максимальной мощности в цепях питания протекают токи порядка 200 – 400 Ампер. Такой ток потребляет во время запуска двигателя стартер. Поэтому провода электропитания и клеммы преобразователя должны быть не менее мощными, чем стартерные.
При токе нагрузки 250 Ампер (мощность преобразователя около 3000 ватт) аккумуляторная батарея емкостью 100 Ампер-часов разрядится минут за 20. Это следует учитывать, планируя использовать преобразователь для решения задач энергообеспечения.
Монтаж радиоэлементов
Осталось собрать устройство. Поскольку компонентов в схеме не так много, можно размещать их не на печатной плате, а навесным монтажом с креплением к радиатору, то есть к корпусу устройства. К штыревым ножкам подпаиваемся моножильным медным проводом достаточно большого сечения, затем место соединения укрепляется 5–7 витками тонкой трансформаторной проволоки и небольшим количеством припоя ПОС-61. После остывания соединения оно изолируется тонкой термоусадочной трубкой.
Схемы высокой мощности и со сложным вторичным контуром могут потребовать изготовления печатной платы, на краю которой в ряд размещены транзисторы для свободного крепления к теплоотводу. Для изготовления печатки пригоден стеклотекстолит с толщиной фольги не менее 50 мкм, если же покрытие более тонкое — усиливайте цепи низкого напряжения перемычками из медного провода.
Изготовить печатную плату в домашних условиях сегодня просто — программа Sprint-Layout позволяет рисовать обтравочные трафареты для схем любой сложности, в том числе и для двухсторонних плат. Полученное изображение распечатывается лазерным принтером на качественной фотобумаге. Затем трафарет прикладывается к очищенной и обезжиренной меди, проглаживается утюгом, бумага размывается водой. Технология получила название «лазерно-утюжной» (ЛУТ) и описана в сети достаточно подробно.
Вытравливать остатки меди можно хлорным железом, электролитом или даже поваренной солью, способов предостаточно. После вытравливания припекшийся тонер нужно смыть, просверлить монтажные отверстия сверлом в 1 мм и пройтись по всем дорожкам паяльником (под флюсом), чтобы залудить медь контактных площадок и улучшить проводимость каналов.
Изображение на электрических схемах
Блокинг генератор: принцип работы
Для начала рассмотрим получение синусоидального типа сигнала. Самый известный генератор на транзисторе такого типа – генератор колебаний Колпитца. Это задающий генератор с одной индуктивностью и двумя последовательно соединёнными ёмкостями. С помощью него производится генерация требуемых частот. Оставшиеся элементы обеспечивают требуемый режим работы транзистора на постоянном токе.
Дополнительная информация. Эдвин Генри Колпитц – руководитель отдела инноваций «Вестерн Электрик» в начале прошлого века. Был пионером в разработке усилителей сигнала. Впервые произвёл радиотелефон, позволяющий разговаривать через Атлантику.
Также широко известен задающий генератор колебаний Хартли. Он, как и схема Колпитца, достаточно прост в сборке, однако требуется индуктивность с отводом. В схеме Хартли один конденсатор и две последовательно соединённые катушки индуктивности производят генерацию. Также в схеме присутствует дополнительная ёмкость для получения плюсовой обратной связи.
Схемы генераторов на транзисторах
Основная область применения вышеописанных приборов – средние и высокие частоты. Используют для получения несущих частот, а также для генерации электрических колебаний малой мощности. Принимающие устройства бытовых радиостанций также используют генераторы колебаний.
Все перечисленные области применения не терпят нестабильного приёма. Для этого в схему вводят ещё один элемент – кварцевый резонатор автоколебаний. В этом случае точность высокочастотного генератора становится практически эталонной. Она достигает миллионных долей процента. В принимающих устройствах радиоприёмников для стабилизации приёма применяют исключительно кварц.
Что касается низкочастотных и звуковых генераторов, то здесь есть очень серьёзная проблема. Для увеличения точности настройки требуется увеличение индуктивности. Но увеличение индуктивности ведёт к нарастанию размеров катушки, что сильно сказывается на габаритах приёмника. Поэтому была разработана альтернативная схема генератора Колпитца – генератор низких частот Пирса. В ней индуктивность отсутствует, а на её месте применён кварцевый резонатор автоколебаний. Кроме того, кварцевый резонатор позволяет отсечь верхний предел колебаний.
В такой схеме ёмкость не даёт постоянной составляющей базового смещения транзистора дойти до резонатора. Здесь могут формироваться сигналы до 20-25 МГц, в том числе звуковые.
Производительность всех рассмотренных устройств зависит от резонансных свойств системы, состоящей из емкостей и индуктивностей. Отсюда следует, что частота будет определена заводскими характеристиками конденсаторов и катушек.
Важно! Транзистор – это элемент, произведённый из полупроводника. Имеет три вывода и способен от поданного входного сигнала небольшой величины управлять большим током на выходе. Мощность элементов бывает разная
Используется для усиления и коммутации электрических сигналов
Мощность элементов бывает разная. Используется для усиления и коммутации электрических сигналов.
Дополнительная информация. Презентация первого транзистора была проведена в 1947 г. Его производная – полевой транзистор, появился в 1953г. В 1956г. за изобретение биполярного транзистора была вручена Нобелевская премия в области физики. К 80-м годам прошлого века электронные лампы были полностью вытеснены из радиоэлектроники.
ТОП лучших преобразователей
Если вы решили приобрести прибор с чистой синусоидой, то предлагаем ознакомиться с рейтингом наиболее популярных моделей.
Рейтинг был составлен в соответствии с результатами многочисленных испытаний и тестов:
Штиль PS12/300. Данная модель выполнена в обычном корпусе, ничего примечательного. По факту девайс выдает не 220, а около 217 вольт. Перегрузка таких моделей не допускается, поскольку это может привести к снижению уровня напряжения в электросети автомобиля в целом
Благодаря наличию линейного выхода модель позволяет выдавать наиболее оптимальный сигнал, что особенно важно.
Следующее место в рейтинге занимает AcmePower 120. Эта модель не рассчитана на большие нагрузки — ее оптимально использовать для зарядки смартфонов, фотоаппаратов, видеокамер и т.д
По факту девайс выдает около 107 вольт напряжения, поэтому для более серьезных целей он не подойдет. Из недостатков следует выделить отсутствие кнопки активации, так что если вы вдруг перегрузите прибор, то его придется отсоединять от сети вручную.
Powermate-003 Tamaks. Мощность данной модели составляет около 172 В. Инвертор показал себя с положительной стороны в ходе испытаний, поэтому его рекомендуют к использованию многие специалисты. В том случае, если на Powermate-003 Tamaks будет подаваться более высокая нагрузка, чем та, на которую он рассчитан, прибор отключится и вы его не сможете включить, пока не будет устранена причина перегруза. Одним из ключевых достоинств данной модели является доступная цена.
Neodrive 200. Фактическая мощность, которую позволяет выдавать этот инвертор, составляет 265 Вт. Одним из основных преимуществ этого варианта является то, что девайс без проблем выдерживает даже высокие перегрузки. А в том случае, если возникнет критическая необходимость отключения прибора, он будет напоминать об этом автолюбителю. Если происходит перегрев устройства, автоматически активируется вентилятор, который также автоматически отключится, когда в его использовании отпадет необходимость.
Более мощная модель — AcmePower AP-DS400 — характеризуется стильным и оригинальным дизайном. Девайс должен подключаться напрямую к автомобильному аккумулятору, для этого в комплекте идет специальные зажимы. Производитель уверяет, что мощность девайса составляет 400 Вт, хотя по факту это значение составляет не более 380 Вт. Если в системе произойдет перегруз, инвертор просто отключится.
Следующая модель — MeanWell A301-600-F3 — не получила широкого распространения среди наших соотечественников. Устройство выполнено в металлическом корпусе, который довольно ненадежный и тонкий. По схеме прибор оснащается тремя диодными индикаторами, расположенными на лицевой части. С помощью диодов водитель сможет узнать, правильно ли работает устройство, нет ли перегруза в системе и не перегревается ли девайс. По факту прибор отлично работает при нагрузке до 600 Вт. Судя по отзывам, эта модель считается самой оптимальной для тех автовладельцев, которые предпочитают отдых с палатками за городом (автор видео — канал AKA KASYAN).
Как из 220 вольт сделать 12 вольт самостоятельно
Проще всего сделать аналоговое устройство на базе трансформатора вида тор. Такое устройство несложно выполнить самостоятельно. Для этого понадобится любой трансформатор с первичной обмоткой, рассчитанной на 220 вольт. Вторичная обмотка рассчитывается согласно несложным формулам или подбирается практическим путём.
Для подбора может понадобиться:
- прибор для измерения напряжения;
- изолирующая лента;
- киперная лента;
- медная проволока;
- паяльник;
- инструмент для разборки (кусачки, отвёртки, плоскогубцы, нож и т. п. ).
В первую очередь необходимо определить, с какой стороны переделываемого трансформатора расположена вторичная обмотка. Аккуратно снять защитный слой для получения к ней доступа. Используя тестер, измерить напряжение на выводах.
В случае меньшего напряжения к любому из концов обмотки допаять проволоку, тщательно заизолировав место соединения. Используя эту проволоку сделать десять витков и опять измерить напряжение. В зависимости от того насколько увеличилось напряжение и рассчитать дополнительное количество витков.
В случае если напряжение превышает требуемое, делаются обратные действия. Отматываются десять витков, измеряется напряжение и рассчитывается, сколько их необходимо их убрать. После этого лишний провод обрезается и запаивается на клемму.
По окончании работ трансформатор собирается в обратной последовательности. Если все правильно рассчитано, то получится преобразователь из 220 в 12 вольт переменного напряжения. Для получения постоянного напряжения необходимо добавить выпрямитель. Это простейшее электронное устройство, состоящее из диодного моста и конденсатора. Используя свойства диодов, напряжение выпрямляется, а с помощью конденсатора убираются паразитные влияния.
Следует отметить, что при использовании диодного моста выходная разность потенциалов поднимется на величину, равную произведению переменного напряжения и величины 1.41.
Главным преимущество трансформаторного преобразования является простота и высокая надёжность. А недостатком — габариты и вес.
Самостоятельная сборка импульсных инверторов возможна только при хорошем уровне подготовке и знаний электроники. Хотя можно купить готовые наборы КИТ. Такой набор содержит печатную плату и электронные компоненты. В набор также входит электрическая схема и чертёж с подробным расположением элементов. Останется только всё аккуратно распаять.
Используя импульсную технологию, можно сделать и преобразователь с 12 на 220 вольт. Что очень полезно при использовании в автомобилях. Ярким примером может служить источник бесперебойного питания, сделанный из стационарного оборудования.
Схема управления
И если подключение частотного преобразователя к электродвигателю выполнить просто, достаточно только соединить соответствующие выводы, то со схемой управления все куда сложнее. Все дело в том, что возникает необходимость в программировании устройства, чтобы добиться максимально возможных регулировок от него. В основе находится микроконтроллер, к нему производится подключение считывающих устройств и исполнительных. Так, необходимо наличие трансформаторов тока, которые будут постоянно следить за мощностью, потребляемой электроприводом. И в случае превышения должно произойти отключение частотника.
Функционирование и принцип устройства
Чтобы понять, что такое трансформаторы, повышающие напряжение, нужно вникнуть в принцип работы. Оборудование изготавливается для электростанций, схемы конструкции которых относятся к проходной категории.
Повышающий трансформатор на электростанциях используется для обеспечения населенных пунктов, прочих объектов током с определенными техническими показателями. Без преобразователя высокое напряжение по пути своего следования постепенно снижается.

Конечный потребитель получал бы недостаточное количество электроэнергии. На конечной в цепи электростанции благодаря этой установке, принимают электричество соответствующего значения. Потребитель получает напряжение в сети до 220 В. Промышленные сети обеспечиваются до 380 В.
От подстанции электричество поступает в высоковольтную линию. Далее энергия попадает на понижающую подстанцию. Здесь она снижается до 12кВ. Трансформаторами с обратным принципом действия ток направляется в низковольтную линию передач. В конце устанавливается еще один понижающий агрегат. От него электричество с показателем 220 В поступает в дома, квартиры.

Рассматривая, как работает трансформатор, повышающий напряжение, нужно вникнуть в основные принципы действия конструкции. Основой работы трансформатора является механизм электромагнитной индукции.

Металлический сердечник находится в изоляционной среде. В схему включено две катушки. Количество обмоток неодинаковое. Повысить показатель способны катушки, в первом контуре которых больше витков, чем во втором.
Напряжение переменного типа поступает на первый контур. Например, это ток в сети 110 (100) В. Появляется магнитное поле. Его сила увеличивается при правильном соотношении обмоток в сердечнике. Когда электричество проходит по второй обмотке в повышающем трансформаторе появляется ток с определенным показателем. Например, обеспечивается показатель характеристики сети 220 В.
При этом частота остается прежней. Для поступления постоянного тока в линию электроснабжения в цепь монтируется преобразователь. Этот прибор может быть в оборудовании повышающего типа. Прибор способен работать не только для изменения напряжения, но и частоты. Определенное оборудование питается постоянным током.





































